|
WZL卷筒聯軸器 特點及應用場合:適用于起重機、提升機構的減速器與卷筒的聯接及其他類似機構的聯接,可傳遞轉矩及支承徑向載荷,結構緊湊.工作穩定,可靠。
![]()
WZL內花鍵卷筒聯軸器主要參數及尺寸: mm
![]() |

|
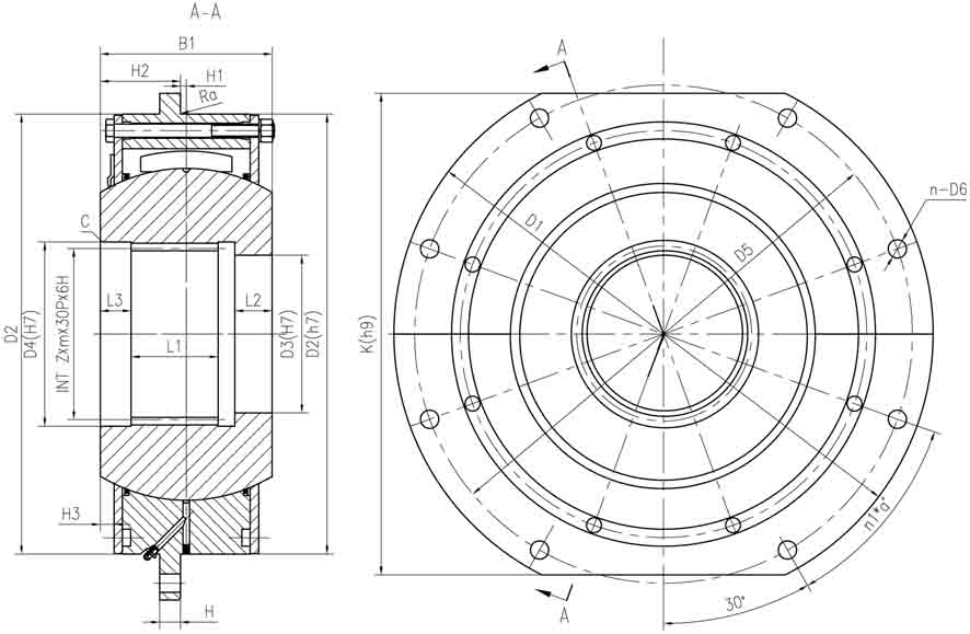
WZL卷筒聯軸器 特點及應用場合:適用于起重機、提升機構的減速器與卷筒的聯接及其他類似機構的聯接,可傳遞轉矩及支承徑向載荷,結構緊湊.工作穩定,可靠。
![]()
WZL內花鍵卷筒聯軸器主要參數及尺寸: mm
![]() |
鎮江海誠機械制造有限公司
? 海誠集團 版權所有 All rights reserved.
地址:江蘇省鎮江市高新技術開發園區68號 ??服務熱線:18913433240
公司電話:0511-85783292 ??公司傳真:0511-85019680(自動接收)
Copyright ? 鎮江海誠機械制造有限公司 版權所有 蘇ICP備14043855號-6