|
LZD型彈性柱銷齒式聯軸器簡介
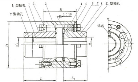
LZD型彈性柱銷齒式聯軸器的彈性柱銷利用尼龍棒車削而成放置于兩個半聯軸器與外套間的對合孔中,通過聯軸器與外套間的彈性柱銷傳遞轉矩,具有軸偏移補償能力和減震性能。柱銷拆卸安裝方便拆下檔板即可變更,材質為自潤材料尼龍無需潤滑。所以LZD型彈性柱銷齒式聯軸器維修方便,與齒式聯軸器相比體積小、質量輕、結構簡單、更換方便且制作成本低廉。LZD型彈性柱銷齒式聯軸器傳遞公稱扭矩為100~100000N.m;許用轉速4000~1500r/min;屬于低轉速高扭矩聯軸器。 LZD型彈性柱銷齒式聯軸器按(GB/T5015-2003)標準制作;工作溫度為-20 ~70℃;軸向許用補償量為:±1.5~3mm;徑向許用補償量為0.3~1.5mm;角向許用補償量為0.5°。另外ZL(現LZ)型彈性柱銷齒式聯軸器和LZD型彈性柱銷齒式聯軸器的區別在于LZD型柱銷齒式聯軸器允許聯軸器的一端軸孔為錐形孔。 ![]() ![]() |




