|
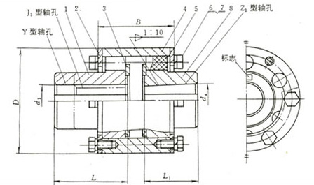
ZLD(LZD)彈性柱銷聯軸器 特點及應用場合:可補償兩軸相對偏移,減振功能差,傳動精度低,傳遞轉矩大,與齒式聯軸器相比,結構簡單,質量輕,制造方便,維護簡便.不用潤滑,部分代替齒式聯軸器,噪聲大,適用于大、中轉矩軸系傳動,不適用于對減振效果要求高和對噪聲需嚴加控制的部位。
ZL型—基本型;
ZID型—圓錐孔型(與電機聯接);
ZLZ型—接中間軸型;
ZLL型—帶制動輪型;
![]()
ZLD(LZD)圓錐軸孔柱銷齒式聯軸器基本參數與主要尺寸:(GB/T 5015-85) mm
![]() |




