|
HL,HLL(LX,LXZ)彈性柱銷聯軸器 特點及應用場合:具有微量補償性能,結構簡單,容易制造,更換柱銷方便,可靠性差,適用于有軸向竄動,起動頻繁,正反轉的軸系傳動,不適用于工作可靠性要求精度高的部位,不宜用于高速、重載及有強烈沖擊振動的軸系傳動,安裝精度低的軸系亦不應選用。
HL(LX)型--基本型;
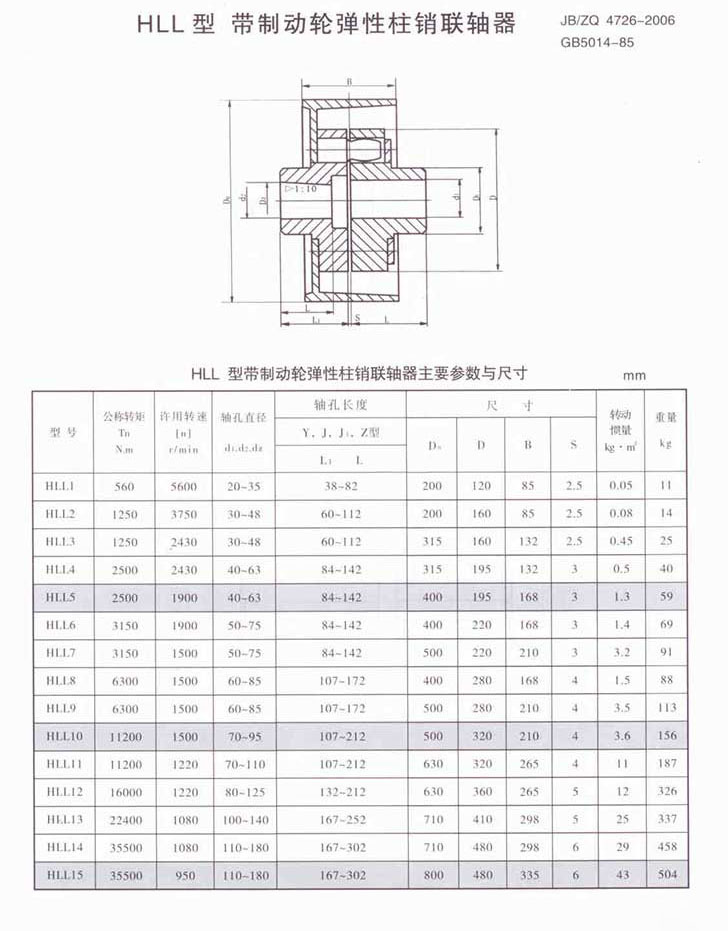
HLL(LXZ)型--帶制動輪型;
![]() |

|
HL,HLL(LX,LXZ)彈性柱銷聯軸器 特點及應用場合:具有微量補償性能,結構簡單,容易制造,更換柱銷方便,可靠性差,適用于有軸向竄動,起動頻繁,正反轉的軸系傳動,不適用于工作可靠性要求精度高的部位,不宜用于高速、重載及有強烈沖擊振動的軸系傳動,安裝精度低的軸系亦不應選用。
HL(LX)型--基本型;
HLL(LXZ)型--帶制動輪型;
![]() |
|
HL,HLL(LX,LXZ)彈性柱銷聯軸器 特點及應用場合:具有微量補償性能,結構簡單,容易制造,更換柱銷方便,可靠性差,適用于有軸向竄動,起動頻繁,正反轉的軸系傳動,不適用于工作可靠性要求精度高的部位,不宜用于高速、重載及有強烈沖擊振動的軸系傳動,安裝精度低的軸系亦不應選用。
HL(LX)型--基本型;
HLL(LXZ)型--帶制動輪型;
![]() |
鎮江海誠機械制造有限公司
? 海誠集團 版權所有 All rights reserved.
地址:江蘇省鎮江市高新技術開發園區68號 ??服務熱線:18913433240
公司電話:0511-85783292 ??公司傳真:0511-85019680(自動接收)
Copyright ? 鎮江海誠機械制造有限公司 版權所有 蘇ICP備14043855號-6